Pulleys are what we call simple machines. Without using an engine, they can help multiply the amount of force applied to lift an object. When you put two or more wheels together and run a rope around them, you have created a great lifting machine. The load is the amount of mass of the object to be moved, and effort is the force required to move the object.
As you increase the number of pulleys in a system, you would require more rope to pull the load across a distance. Hence, you will have to apply the force for a longer period of time when you have more pulleys.
How pulleys work
As you add more pulleys, you increase your mechanical advantage and it becomes very easy to lift the same load. However, before we continue, let us define what mechanical advantage is, and be clear on the differences between weight and mass.
Weight is the amount of force with which gravity pulls an object towards the ground. It is measured in Newtons (N).
Mass is the measure of the amount of substance contained in an object which is measured in kilograms (kg).
If you had a sack with a mass of about 40kg, you can calculate the weight as follows: \(weight = mass \cdot gravity\).
\(Weight = 40 kg \cdot 9.8 m/s^2 = 392 kg \cdot m /s^2 = 392 N\).
Earth's gravity in Newtons is approximately ten times the mass in kilograms.
One-wheel pulley system
A simple pulley helps you lift loads by reversing the direction of the load. If you pull the rope down, your load goes up, as shown in the diagram below.
One wheel pulley. Image:César Rincón CC BY-SA 3.0,
Two-wheel pulley system
By adding one more wheel to the system, you can now reduce the effort you would use to lift the same load using a one-wheel pulley system. If I had my sack with a mass of 40 kg and a weight of 400 N, this time the weight of the load will be split amongst the two pulleys. Therefore, you will need half the effort required to pull the load. Pulleys with more wheels give more mechanical advantage.
With the two-wheel system, when you pull 5 meters of the rope, you move the load only half the distance. That is 2.5 meters.
Two-wheel pulley system. Image: public domain.
Four-wheel pulley system
If four wheels were held together with a rope to form a pulley, it will be noticed that four sections of the weight will be hung over the wheels of the pulley. That will mean that our 400 N (40 kg) sack's weight will now be spread across each wheel, and we will need only a quarter of the force to move the load as much as we would have in the simple one-wheel pulley.
The mechanical advantage of this pulley system will be twice as good as it was in the two-wheel. However, to lift the load across a 5-meter distance, the rope will have to be pulled four times that distance. That is 20 meters.
Four-wheel pulley system. Image: public domain.
Types of pulleys
Among simple machines there are three types of pulley systems:
Moveable pulleys: these are different from fixed pulleys because the pulley system here actually moves with the load. In contrast to the fixed pulley, this does not change the direction, rather, it multiples the force that is being exerted to the load. It is useful for heavier loads, and you won't need as much effort to lift the load.
Finding the acceleration of a load
Here are a few worked examples to find the acceleration of a load. We use SUVAT equations for some of these.
Finding acceleration
If these two particles in the diagram below are released from rest, what will the acceleration be?

Answer:
The particle with the highest mass will drop, and the particle with the lowest mass will rise. Let's take the particle of 5kg mass as particle a, and the 12kg mass as particle b.
To clarify the weight of each particle we have to multiply their mass with gravity. We therefore use g = 9.8 m / s².
Weight of a = 5g
Weight of b = 12g
Now you can model an equation for each particle's acceleration and tension.
\(T - 5kg \cdot g = 5kg \cdot \text{ a [Particle a] [Equation 1]}\)
\(12kg \cdot g - T = 12kg \cdot \text{ a [Particle b] [Equation 2]}\)
You now solve this simultaneously. Add both equations to eliminate the T variable.
\(7kg \cdot g = 17kg \cdot a\)
If you take g = 9.8 m / s².
\(a = 4.0 m/s^2\)
Investigating two possibilities
Two particles of mass 8 kg and m kg are connected by a tight string passing over a smooth peg. Both particles hang vertically with one particle held at rest. The particle is released. Given that the acceleration is 5 m/s², find the mass m.
Answer:
Let us draw a diagram to suit the question.

Let us take the particle with the mass of 8kg as particle a, and the particle with unknown mass as b.
For all of this to work, the mass of particle b is either greater or less than particle a. This will determine which particle will accelerate. So we may have to investigate both possibilities.
So let's have a look at the situation where m > 8.
Resolving particle a vertically:
\(T - 8kg \cdot g = 8 kg \cdot 5 m/s^2 \qquad T = 40 N + 8 kg \cdot (9.8 m/s^2) \qquad T = 118.4N\)
Resolving particle b vertically:
\(mg - 118.4 N = 5 m/s^2 \cdot m \space mg -5m/s^2 \cdot m = 118.4N \space m(g-5m/s^2) = 118.4N\)
\(m = \frac{118.4 N}{g - 5 m/s^2} = 24.7 kg\)
That would be the mass of particle b in a case where m > 8.
Let us now take the situation where m < 8
\(8kg \cdot g - D = 8kg \cdot 5m/s^2\)
T = 38.4N
Resolving particle b vertically:
\(38.4 N - mg = 5 m/s^2 \cdot m \qquad 38.4 N = 5 m/s^2 \cdot m + mg \qquad 38.4 N = m (5m/s^2 + g)\)
\(m = \frac{38.4N}{5 m/s^2 + g}\)
m = 2.6 kg
We now have a mass for both scenarios. If the mass of particle a> b, b will accelerate upwards while a accelerates downwards. On the other hand, a < b will mean a will accelerate upwards while b accelerates downwards.
SUVAT
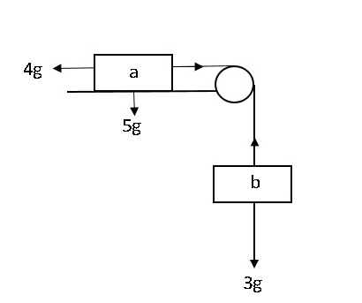
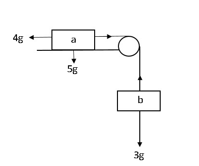
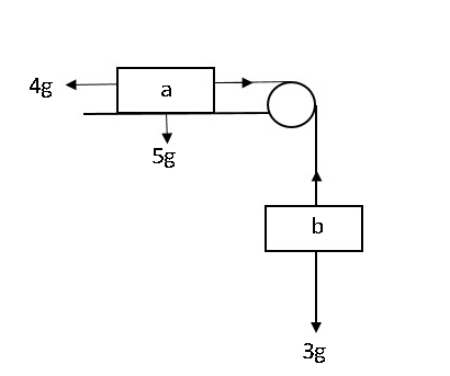
The diagram shows two particles that are connected by a light inextensible string. The 5kg particle a is on a rough horizontal surface and the 3 kg particle b hangs on the other end of the string. The string passes over a smooth light pulley. The initial speed of both particles is 2 ms-1 and a constant frictional force of 4N works against a. The particles slow down and stop before a reaches the pulley or b hits the fall. Find:

Figure 7. Pulley example on SUVAT
Answer:
- \(T -4g = 5a \text{ [Equation 1] [Particle a resolved horizontally]}\)
\(3g - T = 3a \text{ [Equation 2] [Particle b resolved vertically]}\)
Adding equations together
\(-g = 8a\)
\(a = \frac{-g}{8}\)
Take g to be 9.8 ms-2
\(a = -1.225 ms^{-2}\)
s = x
u = 2 ms-1
v = 0
a = -1.225 ms-2
t =?
We will use the equation that doesn't have t since information on that isn't available.
\(v^2 = u^2 + 2as\)
\(0 = 4ms^{-1} - 2 \cdot 1.225 ms^{-2}\)
\(s = \frac{4ms^{-1}}{2 \cdot 1.225 ms^{-2}}\)
\(s = 1.6 m\)
Pulleys - Key takeaways
- A pulley is a collection of wheels over which you loop a rope to make it easier to lift things.
- There are three types of pulley systems. Fixed, moveable, and compound pulleys.
- The more wheels you have in your system, the more mechanical advantage you have in lifting your load.
- By including a wheel in your one-wheel pulley system, you reduce the amount of force needed to lift the load, but you will have to move your rope twice the distance for the load to cover the distance it would have if it were a one-wheel system.
- SUVAT equations can be used to solve certain pulley problems.
Images
One wheel pulley https://commons.wikimedia.org/w/index.php?curid=643667